SUN系列螺紋插裝閥
-
液壓原理圖型號描述流量壓力
-
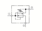
螺紋插式平衡閥
60L/min
31.5Mpa
-
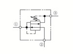
螺紋插式平衡閥
120L/min
315bar
-
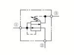
螺紋插式平衡閥
240L/min
315bar
-
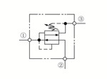
螺紋插式平衡閥
480L/min
315bar
-
插式單向閥
150L/min
315bar
-
插式單向閥
80L/min
315bar
-
插式單向閥
45L/min
315bar
-
插式單向閥
20L/Min
315bar
-
螺紋插式減泄壓閥
320L/min
315bar
-
螺紋插式減泄壓閥
160L/min
315bar
-
螺紋插式減泄壓閥
80L/min
315bar
-
螺紋插式減泄壓閥
40L/min
315bar
-
液壓原理圖型號描述流量壓力


